Copyright 2003-04
Kai Ludwig

Zuletzt aktualisiert am
01.08.2004

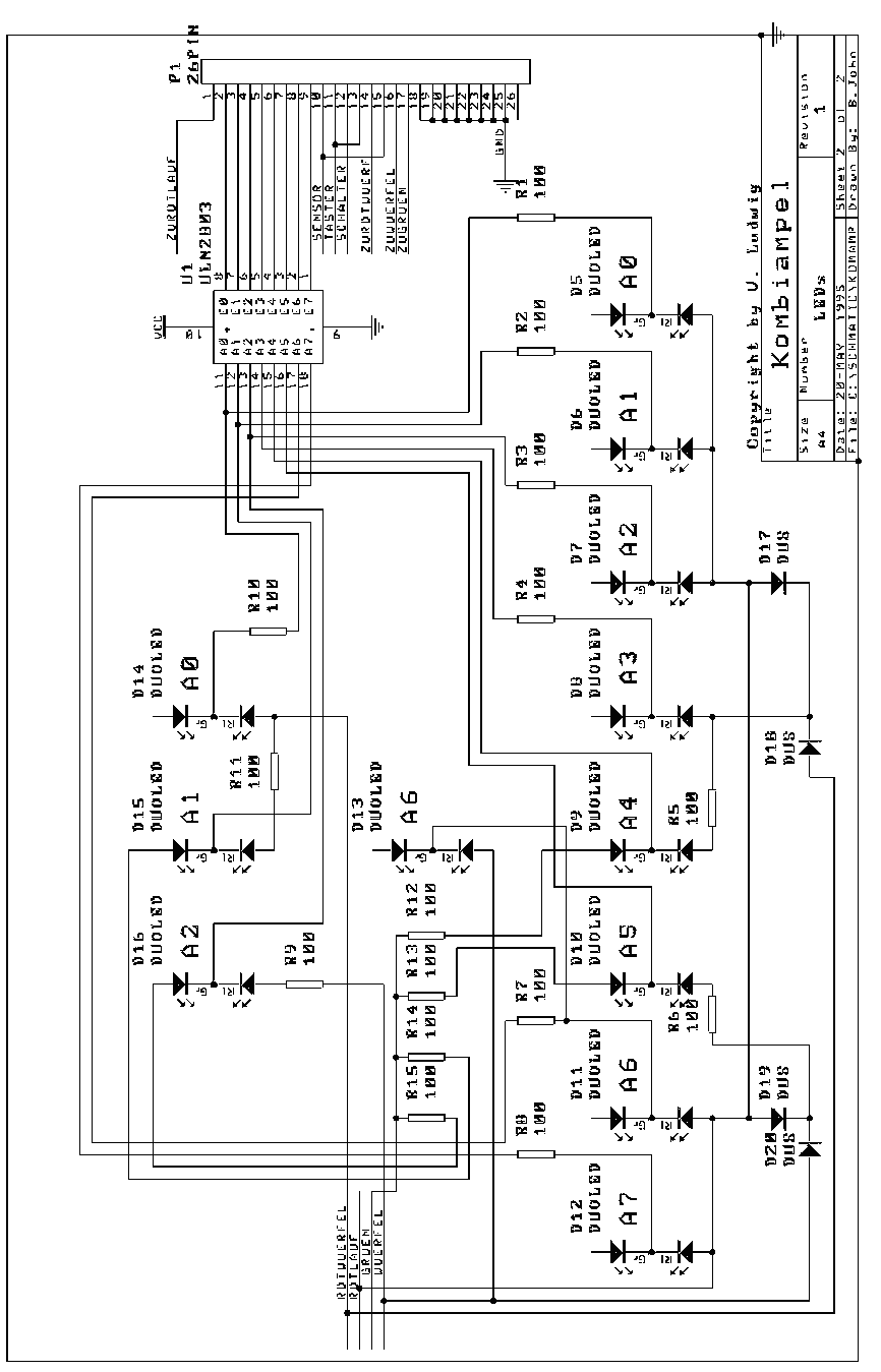
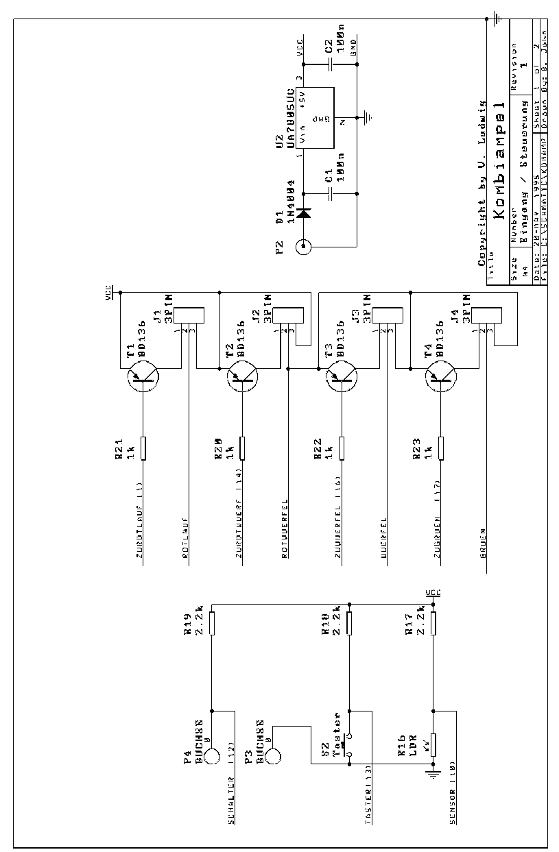
Die Hardware

Die Kombiampel besteht aus:
- Platine im Gehäuse
- Anschlusskabel für den PC-Druckerport
- Leuchtdioden
- Taster
- Photowiderstand als Sensor
- Eingang für einen externen Schalter

Die Beschreibung zur Kombiampel gibt es
hier.

Schaltpläne:
1 2